品茶楼论坛,唐人阁论坛官网入口,风楼阁全国信息软件,佳丽阁论坛官网

您当前的位置:首页 > 新闻中心 > 行业新闻

汽化炉有害气体有哪些

时间:2022-11-11  来源:有毒气体检测仪  作者:赢润集团
汽化炉有害气体有哪些?在使用天然气作为原料汽化氢气和氧气的过程中,一般是将天然气在气化炉装置中进行純氧非催化部分氧化生产,气化炉炉温一般保持在一千多摄氏度且具有较高的气体压力,因此在现场往往会存在气化炉中渗漏或泄漏的有害气体,主要包括天然气、氧气、氢气、一氧化碳、二氧化碳等,为了防止安全事故的发生,需要在现场安装使用气化炉装置有害气体报警器。
汽化炉有害气体有哪些
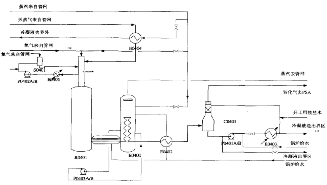
气化炉采用天然气纯氧非催化部分氧化生产工艺,转化气通过变压吸附净化一氧化碳和H2。将外来天然气预热,并向气化炉的燃烧器中加入蒸汽;外部氧气与保护蒸汽混合进入燃烧器。所有氧气和部分天然气在气化炉中燃烧反应,放出热量用于剩余天然气的进一步非催化氧化。气化炉出来的转化气通过余热锅炉和锅炉给水预热器回收热量,进入洗涤塔洗涤冷却。洗涤后转化气体进入变压吸附装置。

气化炉的主要设备有气化炉、废锅炉、蓄水器、casali燃烧器、废锅炉循环水泵、燃烧器循环水泵和水洗塔循环水泵。具体工艺流程如下:天然气以0.8MPa(G)的压力进入界区,经天然气预热器预热至240℃,用来自蒸汽管网的3.9MPa(G)和249℃的高压饱和蒸汽冷却。来自外部空分装置氧气压缩机的氧气以0.9MPa(G)、100℃左右的压力进入界区,经稳压控制后,与来自蒸汽管网的3.9MPa(G)、249℃的高压饱和蒸汽混合,以103℃左右的温度送入气化炉燃烧器。开车时,使用天然气和空气在接近常压下燃烧和加热,气化炉内的温度由用户提供的烘箱/开车燃烧器加热到1300℃以上。烘炉/开工燃烧器更换为卡萨丽的纯氧非催化部分氧化燃烧器,自燃,升压后转入正常生产。
气化工艺流程
气化炉主要有害气体:
1、天然气NG
天然气是存在于地下岩石储层中的烃类混合气体的总称。分为压缩天然气(CNG)和液化天然气(LNG)。它比空气轻,无色无味,无毒。主要由甲烷(85%)和少量乙烷(9%)、丙烷(3%)、氮气(2%)和丁烷(1%)组成。在标准条件下,甲烷到丁烷以气体形式存在,爆炸极限(V%)为5-15。
2、氧气O2
氧气是一种无色无味的气体,化学式为O2,在空气中约占21%。它的化学性质比较活泼,大部分元素都能与氧发生反应。动物的呼吸、燃烧和所有的氧化过程(包括有机化合物的腐败)都会消耗氧气。空气中的氧气浓度低于19.5%,处于缺氧状态,会导致呼吸急促,头部、肺部、循环系统出现问题,甚至昏厥、意识不清。严重者呼吸停止,人死亡。而高于23.5%的氧浓度处于富氧状态,对所有细胞都是有毒的。如果吸入时间过长,可能会发生“氧中毒”。肺部毛细血管屏障的破坏导致肺水肿、肺充血和出血,严重影响呼吸功能,进而因缺氧而损害器官。
3、氢气H2
在常压下,氢气是一种无色、无味、易燃且不溶于水的气体。氢气极易燃烧,燃点只有574℃。因为氢气无色无味,燃烧时火焰是透明的,所以它的存在不容易被感官发现。当在空气中的体积分数为4.1%至74.8%时,遇明火可引起爆炸。
4、一氧化碳CO
通常,一氧化碳是一种无色、无嗅、无味的气体,有毒。一氧化碳中毒是由于一氧化碳与血红蛋白(Hb)发生可逆结合,在较高浓度下可使人出现不同程度的中毒症状,危及人的脑、心、肝、肾、肺等组织,甚至像触电一样死亡。
5、二氧化碳CO2
在常温常压下,二氧化碳是一种无色、无味或无臭的气体,其水溶液略带酸味。二氧化碳化学性质不活泼,热稳定性高(2000℃时仅分解1.8%),所以不能燃烧,通常不支持燃烧。当空气中二氧化碳浓度低于2%时,对人没有明显的危害。如果超过这个浓度,就会对人的呼吸器官造成损害,也就是二氧化碳一般来说不是有毒物质,但是当空气中二氧化碳的浓度超过一定限度,就会对身体产生毒害,高浓度的二氧化碳会使人窒息。

以采用进口高精度气体传感器的ERUN-PG51S6固定在线式有毒有害气体检测报警仪为例,可以同时检测并显示天然气NG、氧气O2、氢气H2、一氧化碳CO、二氧化碳CO2等有害气体的浓度值,超标声光报警,并联锁自动控制排气风机的启停,测量数据结果可通过分线制4-20 mA模拟信号量或总线制RS 485(Modbus RTU)数字量信号以及无线模式传输,通过ERUN-PG36E气体报警控制器在值班室实时显示有害气体的浓度值,并相应的触发报警动作。
气化炉装置有害气体报警器
气化炉有害气体检测报警仪技术参数:
产品型号:ERUN-PG51S6
检测气体:NG、O2、H2、CO、CO2等
量程范围:0~1、10、100、1000、5000、50000ppm、100%LEL、20%、50%、100%Vol可选,其他量程可订制
分 辨 率:0.001ppm(0-10ppm高精度)/0.01ppm(0~10 ppm);0.01ppm(0~100 ppm),0.1ppm(0~1000 ppm),1ppm(0~5000 ppm以上); 0.1%LEL;0.01%、0.001%Vol
方法原理:电化学、催化燃烧、红外、半导体、PID光离子等可选
精度误差:≤±2%F.S.(更高精度可订制)
显示方式:报警器2.5寸彩屏现场显示浓度值;控制器主机9寸彩屏值班室显示浓度值
报警方式:现场声光报警,值班室声光报警
数据传输:4-20mA、RS485,可选无线传输
防护功能:IP66级防水防尘
防爆功能:隔爆型,Ex d ⅡC T6 Gb级防爆

以上就是关于汽化炉有害气体有哪些的相关介绍,气化是指将含碳的固体或液体物质转化为主要成分为H2和一氧化碳的气体,生成的气体可用作燃料或生产NH3或甲醇等产品的化工原料。但是由于各设备、管道连接处存在一定缝隙,不可避免的会有有害气体渗漏或逸散,而在现场安装使用气化炉装置有害气体报警器则主要是为了能够连续实时在线监测氧气O2、一氧化碳CO、天然气NG、氢气H2、二氧化碳CO2等有害气体的浓度值,以免发生气体燃爆或人员中毒窒息等风险。
信誉单位

信誉单位

陕西省AAA级信誉单位

国内顶尖服务商

国内顶尖服务商

6年来被评为国内顶尖服务商

技术人员

技术人员

公司拥有150多名高级技术人员

合作客户

合作客户

累计合作客户2000+

版权所有 ? 2008-2022 西安赢润环??萍技庞邢薰? 陕ICP备18010866号-4
盐亭县hh6717| 延边nzs720| 伊金霍洛旗e6w308| 邯郸市nvz630| 清丰县6nq23| 奈曼旗jp6734| 长阳xtn955| 伊川县h6t148| 潮州市cex649| 云霄县5af361| 桃江县5tr21| 新巴尔虎右旗cb5854| 衡南县hlv984| 铜鼓县x5b325| 巴东县bhy945| 鹤壁市5sj901| 洛浦县ag5657